|
|

|

|
Home > Products > Silica(SiO2) Analyzer
 |
- Convenient operation & maintenance
- One touch menu function
- Easy tube replacement & disassembly
- Data storage function (USB)
- 7” Color LCD Monitor & Touch Screen
- Display of data trend
- Alarm function for lack of sample flow
- Automatic calibration by standard solution
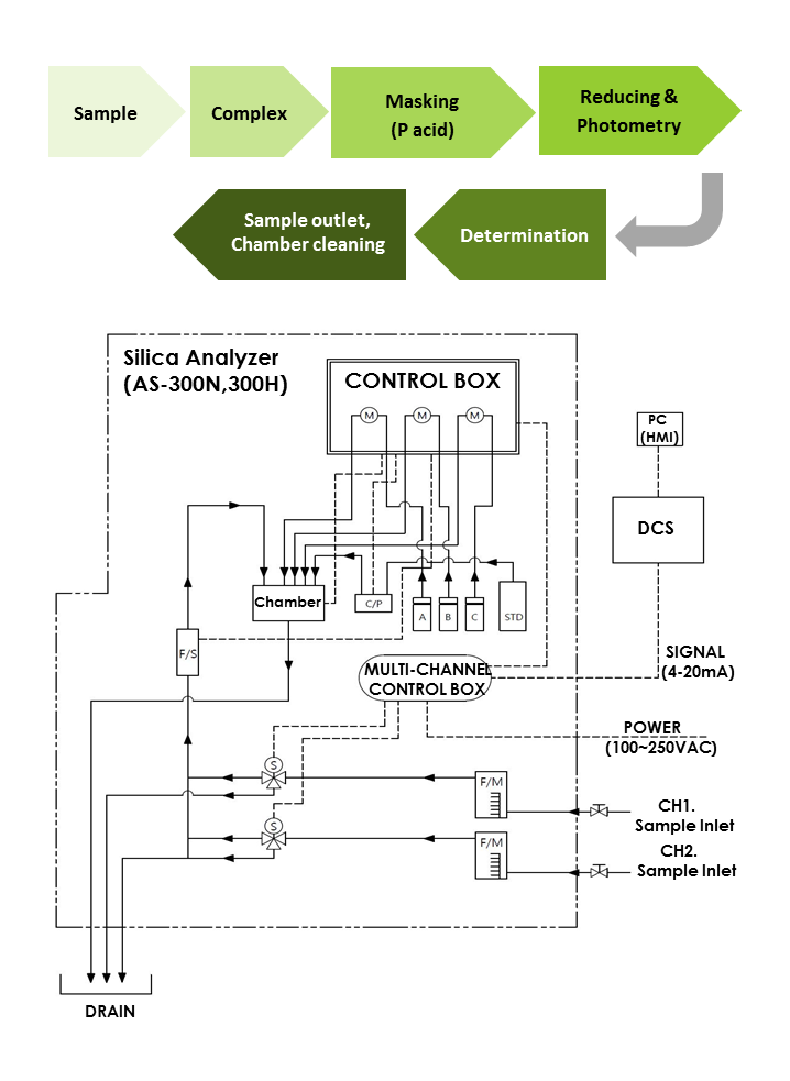
- Multichannel operation (1∼6ch)
- Applications
- Monitoring and control of the boiler water, feed water.
- Power Plants, Semiconductor Industry.
|
Technical Specifications
| MODEL |
AS-300N |
AS-300H |
Measure principle |
Colorimetric (Molybdenum Blue) |
Colorimetric Molybdenum Yellow) |
Measuring Range |
0~500 ㎍/L , 500~5,000 ㎍/L (ppb) |
0∼50 ㎎/L (ppm) |
Display |
0.1 ㎍/L , 1 ㎍/L (ppb) |
0.1 ㎎/L(ppm) |
Accuracy |
0~500 ㎍/L : ±2% or ±1.0 ppb
500~5,000 ㎍/L : ±5% of reading |
±2% of reading
or ±0.2 ppm |
Response Time |
12 min App. |
12 min App. |
Temp. Compensation |
Automatic |
Calibration |
Automatic by standard solution |
Sample Pressure |
1~5 Bar |
Sample Temperature |
5 ~ 45 ℃ |
Sample Flow |
200~500 ml /min |
Sample Connections |
Inlet 6mm/ Outlet 10mm |
Reagent Consumption |
80 days (A, C, STD/2L, B/1L) |
Data Output |
4 ~ 20 mA 2 ea, Alarm 2 ea, HART Modem 1 ch (Option) |
Degree of Protection |
IP65( NEMA 4x): Electronics, IP55(NEMA 4): Wet part |
Power |
100~240 VAC (50/60 Hz) |
|
|